Versuchsanleitung E3 – Transistoren

Aufgabe:

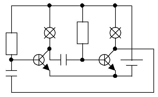
Demonstriere den Transistoreffekt mittels der angegebenen Blinkschaltung


Vorbetrachtungen:

  1. Was sind Halbleiter ?

  2. Skizziere die Schaltzeichen für Halbleiterdiode und Transistor.

  3. Wozu werden jeweils Dioden und Transistoren verwendet ?

  4. Was versteht man unter dem Transistoreffekt ?

  5. Welche technischen Bauelemente gehören zu folgenden Schaltzeichen ? Ordne zu. Batterie, Kondensator, Messgerät, Transistor, Widerstand, Diode, Glühlampe


  6. Bestimme anhand der Farbcodetabelle S. 99 im Lehrbuch die Größe eines Widerstandes, der folgende Farbringe trägt: rot, grün, braun

  7. Welche Einheit gehört zum Widerstand, zur Kapazität eines Kondensators, zur Leistung einer Glühlampe, zur Spannung, zur Stromstärke ?

  8. Rechne um: 1 k ( in ), 500 m (in cm), 1 A (in mA), 300 µV (in V).


Geräte und Hilfsmittel:

Flachbatterie 4,5 V,
2 Widerstände 1 k , 2 Kondensatoren 470 µF,
2 Glühlampen 4 V; 0,1 A
2 Transistoren MOSPEC 2N 3055 XO 505,
Steckbrett, Kontaktklemmen, Fertigkabel, weitere Kondensatoren und Widerstände


Versuchsanordnung:




Arbeitsanweisungen:

  1. Baue mit den Geräten die Schaltung entsprechend der Versuchsanordnung auf.

  2. Klemme die Batteriekabel nach Rücksprache mit dem Fachlehrer an.

  3. Beobachte und formuliere deine Beobachtung als 1. Ergebnis.

  4. Formuliere, ausgehend von deinen Vorbetrachtungen zum Transistoreffekt, als 2. Ergebnis, weshalb du genau diese Beobachtung gemacht hast. Beachte: Welche Wirkungen haben Kondensatoren ? Unter welchen Bedingungen fließt durch den Transistor ein Strom zum Kollektor ?

  5. Verändere die Größe der Widerstände und Kondensatoren. Was stellst du als 3. Ergebnis jetzt fest ?



<<Zurück